ENGLISH
中文版
咨询热线:
0519-88792596
联系我们
反馈留言
技术交流
产品中心
资讯中心
公司简介
首页
您现在的位置 >
网站首页
>
产品展示
>
同步电机
产品系列
步进电机
同步电机
直流串励电机
直流无刷电机
交流永磁同步电机
同步电机
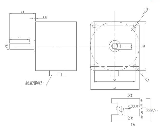
60KTYZ
发布时间2020-12-07 15:29:38 点击量:
外形尺寸:
技术条件:
电机电压,转速,牵入转矩,可以根据客户要求进行调整
所属行业:点钞机,安防云台,阀门,空调,舞台灯光,蠕动泵等
上一篇:
50KTYZ
下一篇:
50TYZ
关于我们
公司简介
企业文化
资讯中心
公司新闻
行业动态
产品中心
步进电机
同步电机
直流串励电机
直流无刷电机
交流永磁同步电机
技术交流
技术交流
反馈留言
在线留言
常州育松电气有限公司
地 址:常州市洛阳镇创新路7号
手 机:13815024795
电 话:0519-88792596
传 真:0519-88792596
邮 箱:13815024795@126.com
QQ 1226321590
Copyright © 常州育松电气有限公司 All Rights Reserved
苏ICP备13061850号
常州网络公司
鼎豪网络
网站建设
[管理中心]
技术支持
产品咨询
销售一号
销售二号